

产品描述 Product Description
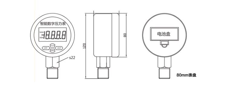
MIK-Y190数显压力表,内置高精度压力传感器,能够准确实时显示压力,并且具有抗震动、显示精度高、稳定性高、可清零等特点。该款智能压力表采用LCD显示屏,具有背光、单位切换等多种功能,操作简单,安装简捷。由于采用低功耗的处理器芯片,续航时间长,具有自动待机与一键清零功能,使用方便。该款智能数显压力表可以测量水、油、空气等对不锈钢无腐蚀的介质,适合压力容器、自动化设备、实验室设备配套的使用。
MIK-Y190数显压力表适用于测量无爆炸危险、不结晶、不凝固的无腐蚀或弱腐蚀作用的液体、气体或蒸汽的压力。













为了服务好每一位新老客户,为了更好的“以客户为中心”,杭州美控已在全国设立了30多处办事处。我们将更好的服务带到您的身边,将中国过程自动化解决方案应用到每一位需要我们的用户家中。
本公司向用户承诺,本仪表供货时所应提供的硬件、附件在材质和制造工艺上都不存在任何缺陷。从仪表购买之日起开始计算,在质保期内,若收到用户关于此类缺陷的通知,本公司对确实有缺陷的产品实行无条件免费维修或免费更换。本公司对所有记录仪产品一律保证7天包退1年保修,终身维修。
售后服务承诺:
1、客户的技术疑问,我们承诺在4个小时内处理完毕。
2、返厂维修的仪表我们承诺在3个工作日内出具检测结果,7个工作日内完成维修。
3、仪表返给客户之后2周之内对用户进行回访,并提供自动化相关技术的免费咨询。









